Şarj İstasyonları için özel imal eidlmiş, Enerji Deppolama Sistemidir. Modülden oluşan modüler bataryadır. 250KW AC Bağlantısı vardır
Entegre enerji depolama ve şarj uygulaması Dört adede kadar çift uçlu şarj terminalini destekler Bölünmüş tip DC hızlı şarj, tek uçlu şarj için maksimum 180kW DC şarj gücü Esnek şarj gücü dağıtımını destekler, hem TESLA hem de CCS1 şarj arayüzlerine uyarlanabilir
Yeni enerji araçlarının dağıtım şebekesine erişimdeki yetersiz kapasite sorununu çözmek içinModüler ve Ölçeklenebilir: Seri olarak 5-16 pil modülü;
Ürün, yüksek voltajlı lityum iyon pil sistemidir. Yüksek entegrasyon, iyi güvenilirlik, uzun hizmet ömrü, geniş çalışma sıcaklığı aralığı vb. özelliklere sahiptir. Akü enerji depolama sistemi modülerdir. Süpermarketler, bankalar, okullar, çiftlikler ve küçük fabrikalar için yük eğrisini düzeltmek ve tepe yük transferini sağlamak için güvenilir bir yedek güç kaynağı sağlar. Ayrıca yenilenebilir sistemlerin istikrarını artırabilir ve yenilenebilir enerjinin kullanımını teşvik edebilir.
Entegre enerji depolama ve şarj uygulaması
Dört adede kadar çift uçlu şarj terminalini destekler
Bölünmüş tip DC hızlı şarj, tek uçlu şarj için maksimum 180kW DC şarj gücü
Esnek şarj gücü dağıtımını destekler, hem TESLA hem de CCS1 şarj arayüzlerine uyarlanabilir
Yeni enerji araçlarının dağıtım şebekesine erişimdeki yetersiz kapasite sorununu çözmek için
Akıllı Bulut Platformu
Özelleştirilebilir yük algoritma modülleri
24 saat çevrimiçi işletme ve bakım
Pil ömrü ve güvenlik uyarısı
Cihaz bulut bağlantısı
Üstün Güvenlik
3+3 Yangın Koruma Sistemi
3+3 Elektrik Güvenliği Önlemleri
AC Kaçağı ve DC İzolasyon Tespiti
Yüksek voltaj kilitleme, yüklü ark çalışmasını önleme
Çok Yönlü Genişleme
PCS/BMS/EMS Hepsi Bir Arada modüler tasarım
Paralel olarak 10 kabine kadar destek
2/4/6/8 saatlik enerji depolama uygulamalarını destekler
Alan kaplamayı azaltmak için daha yüksek enerji yoğunluğu
PV ve BESS DC Bağlantısı
Çoklu Uygulama Senaryoları
Tepe-Vadi arbitrajı/Tepe-Vadi kaydırma
Sanal enerji santrali hazır
Şebeke dışı çalışma (Adalar, iletişim baz istasyonları vb.)
Hızlı ve Güvenilir Geçiş: Kesintisiz Geçiş: STS modülü, şebekeye bağlı, şebekeden bağımsız ve dizel modları arasında 10 ms'den kısa sürede geçiş yapabilir.
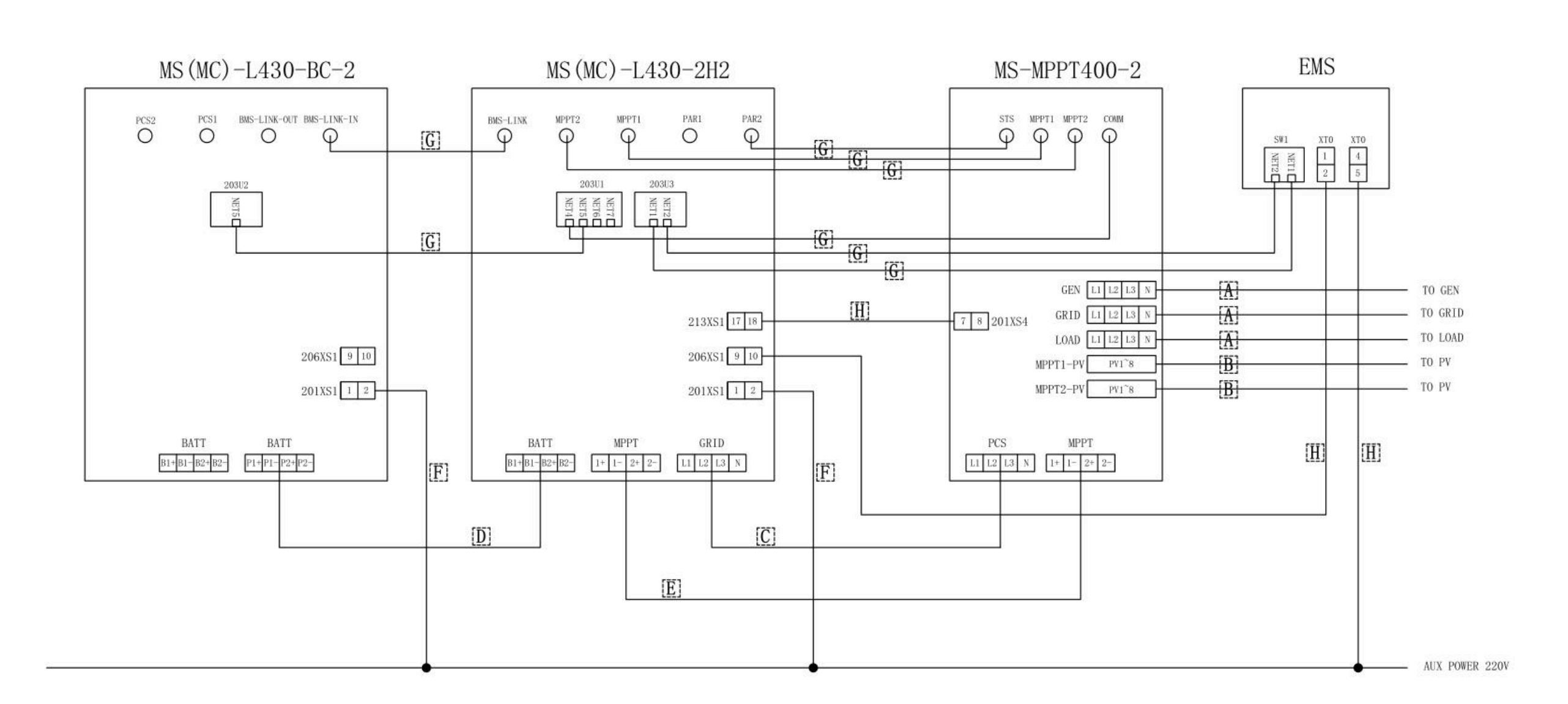
MC-L430-2H2: Bu model, 280 Ah nominal kapasiteye ve 430,08 kWh nominal enerjiye sahip bir AC Akü Enerji Depolama Sistemi (BESS)'dir. 768 Vd.c nominal DC bunlarında çalışır ve 636 Vd.c ile 876 Vd.c arasında bir DC voltaj aralığına sahiptir. Sistem, IP54 dereceli bir muhafaza içerisinde bulunmakta ve 4600 kg'a kadar ağırlığa sahiptir.
MC-L430-BC-2: Bu, bir DC Akü Enerji Depolama Sistemi (BESS)'dir. MC-L430-2H2 ile aynı akü özelliklerine sahiptir; 280 Ah nominal kapasite, 430,08 kWh nominal enerji, 768 Vd.c nominal DC izleme ve 636 Vd.c ile 876 Vd.c arasında bir DC voltaj aralığına sahiptir. Ancak 4300 kg'a kadar ağırlığıyla biraz daha hafif ve ayrıca IP54 dereceli bir muhafaza içerisinde yer alıyor.
MS-MPPT400-2: Bu model, yük için 250 kW, şebeke için 500 kW ve bir yağ motoru için 500 kW nominal güce sahip bir Maksimum Güç Noktası İzleyicisidir (MPPT). Maksimum 200 kW PV giriş gücüne ve 180V ila 850V arasında geniş bir MPPT voltaj aralığına sahiptir. Bu ünite, %99,9'un üzerinde MPPT işlemleri ile verimli güneş enerjisi hasadı için tasarlanmıştır. Diğer iki modele göre önemli ölçüde daha hafiftir, 700 kg'a kadar ağırlığa sahiptir ve IP54 dereceli bir muhafaza içinde gelir.

Deye 430Kw 280AH Akü Datasheet
Deye 430Kw 280AH Şarj İstasyonu Akü Sistemi Manual
Deye Lifepo4 Tanıtım Broşürü
Deye HV Lifepo4 Akü Ev Uygulama Çözümleri
Deye Lityum Batarya Patlama Tehlikesi
Deye BOS B Pro A3 Serisi Broşürü
Deye Lityum Akü İnvertör Uyumluluk Tablosu
Deye Lifepo4 Storage IEC 61000 CE Belgesi
Deye Lifepo4 Storage IEC 61000 CE Belgesi
Deye Lifepo4 Storage IEC 61000 CE Belgesi
Deye Lifepo4 EU Declaration Belgesi
Deye Lifepo4 ESS Garanti Şartları
Deye Inverter Akü Uyumluluk Tablosu
Deye Ürün Broşürü Kataloğu
Deye Ongrid İnvertör Türkçe Manual Kullanma Klavuzu
Deye Storage Lifepo4 Akü Sistemleri Ürün Kataloğu
| Model |
MS-DC480-4 (480 kW DC Şarj Güç Kabini) |
| DC Giriş Verileri |
| Giriş Standardı | DC+ / DC- / PE |
| DC Giriş Gerilim Aralığı | 200 ~ 850 VDC |
| DC Giriş Akım Aralığı | ≤ 640 A |
| Nominal DC Giriş Gücü | 420 kW (@400VDC ≤ Vin ≤ 850VDC) |
| DC Çıkış Verileri |
| DC Çıkış Gerilim Aralığı | 150 ~ 1000 VDC |
| DC Çıkış Akımı | 8 çıkış, her biri max 250 A |
| Çevresel Koşullar |
| Çalışma Sıcaklığı | -30°C ~ +55°C (50°C üstünde güç düşümü) |
| Depolama Sıcaklığı | -40°C ~ +60°C |
| Nem | ≤ %95 RH (yoğuşmasız) |
| Soğutma | Zorlamalı hava soğutma |
| Rakım | ≤ 2000 m (üstünde güç düşümü) |
| Kabin Koruma Sınıfı | ≥ IP54 |
| Diğer Parametreler |
| Sertifikalar | UL2202, UL2231, UL991, UL1998 |
| Verim | ≥ %97.5 (tam yükte) |
| Boyutlar (G × Y × D) | 1250 × 2450 × 1000 mm |
| Yaklaşık Ağırlık | 600 kg |
1. DC Kullanılabilir Enerji, test koşulları: %90 DOD, 0.3C şarj & deşarj @25°C. Sistem kullanılabilir enerjisi konfigürasyona göre değişebilir.
2. Akım sıcaklık ve SOC'a bağlıdır.
3. Garanti süresi, garanti süresi veya çevrim ömrü hangisi önce dolarsa geçerlidir.
DC Ters Polarite Koruması, AC Çıkış Aşırı Akım Koruması, Termal Koruma, AC Çıkış Aşırı Gerilim Koruması, AC Çıkış Kısa Devre Koruması, DC Bileşen İzleme, Ark Hatası Devre Kesici (İsteğe Bağlı), Ada Oluşumunu Önleme Koruması, DC Anahtarı, İzolasyon Empedansı Algılama, Artık Akım Algılama
Tek fazlı dizi invertörleri, güvenli ve güvenilir çalışmayı sağlamak için genellikle çeşitli güvenlik özellikleri içerir. Tek Fazlı Dizi İnvertör üreticisinin tek fazlı dizi invertörlerinde bulunan bazı yaygın güvenlik özellikleri şunlardır:
Kapsamlı Koruma: Gelişmiş bir Pil Yönetim Sistemi (BMS) ve aktif sigorta ile donatılmış olup, enerji depolama sürecinin güvenliğini ve istikrarını sağlayarak olası risklere karşı koruma sağlar.
Üstün Performans: Maksimum 1C şarj ve 1,2C deşarjı destekler. GaN MOSFET'ler sayesinde enerji kaybında %50 azalma sağlar ve yüksek sıcaklıklara karşı güçlü bir direnç göstererek zorlu koşullarda bile verimli çalışmayı garanti eder.
Optimize Edilmiş Enerji Yoğunluğu: Entegre PACK tasarımı, hat kaybını önemli ölçüde azaltarak enerji yoğunluğunu artırır ve depolanan her enerji biriminden en iyi şekilde yararlanılmasını sağlar.
Esnek Genişleme: 32 adede kadar ünitenin paralel bağlanmasına olanak tanır ve kullanıcıların ihtiyaçları arttıkça enerji depolama kapasitesini artırmalarına olanak tanır.
Kolay Bakım: Otomatik ağ işleviyle birlikte gelir. Tek tek piller için yerel izleme modu ve tüm Enerji Depolama Sistemi (ESS) için uzaktan izleme modu sunarak bakım ve yönetimi kolaylaştırır. Güvenilir Dayanıklılık: Doğal soğutmaya dayanarak -20°C ile 55°C arasındaki sıcaklık aralığında güvenilir bir şekilde çalışır ve çeşitli çevre koşullarında tutarlı performans sağlar.
1) Lityum demir fosfat pil, çeşitli ekipman ve sistemler için güvenilir güç sağlamak amacıyla kullanılabilen yeni enerji depolama ürünlerinden biridir. Modülün tamamı toksik değildir, kirletmez ve çevre dostudur.
2) Bu ürün, voltaj, akım ve sıcaklık dahil olmak üzere hücre bilgilerini yönetebilen ve izleyebilen dahili BMS pil yönetim sistemine sahiptir. Dahası, BMS, hücre şarj ve deşarjını dengeleyerek çevrim ömrünü uzatır.
3) Katot malzemesi, güvenli performans ve uzun çevrim ömrü sunan LiFePO₄'den üretilmiştir.
4) Esnek konfigürasyon. Kapasite ve gücü artırmak için birden fazla pil paralel olarak bağlanabilir.
5) Benimsenen kendi kendine soğutma modu, sistem gürültüsünü hızla azaltır. 6) Modül daha az kendi kendine deşarj olur, hafıza etkisi olmaz, sığ şarj ve deşarjda mükemmel performans gösterir.
7) Pil modülü iletişim adresi otomatik ağ bağlantısı, kolay bakım, uzaktan izleme desteği ve ürün yazılımını yükseltme.
8) Yüksek güç yoğunluğu: düz tasarım, üst üste monte, kurulum alanından tasarruf sağlar.
9) Sınırlı akım şarj modülü pil ömrünün artmasına yardımcı olabilir.